- 产品中心
- Product Center
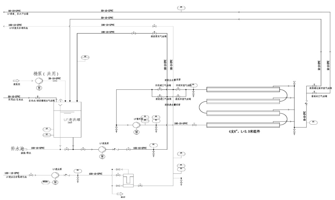
管式超滤装置
查看:301 次
超滤膜组件是以压力为推动力的膜分离过程,通过膜表面的微孔筛选可将直径为0.002-0.1um之间的颗粒和杂质截留,可有效去除水中胶体、硅、蛋白质、微生物和大分子有机物。当液体混合物在一定的压力推动下流经膜表面时,溶剂及小分子物质透过膜,而大分子物质则被截留,从而实现大小分子间的分离和净化目的。
超滤可广泛的应用于物质的分离、浓缩、提纯。超滤过程无相转化,不需加热,常温操作,节约能源,对热敏性物质的分离尤为适宜。超滤过程简单,配套装置少,操作运转简便,维护费用低。超滤膜耐化学药品侵蚀,PH适应范围广,超滤装置单位体积中膜面积最大,投资费用最低,清洗简单。
超滤膜主要使用性能优异的聚偏氟乙烯(PVDF)超滤中空纤维膜,具有效能高、易清洁、大通量、低能耗等特点。压力式膜组件广泛应用于饮用水、工业用水、市政工业废水处理、垃圾渗滤、海水淡化领域,也可以用于饮料、食品、生化、石油、化工、电子、环境、电厂等多种工业领域的分离过程。
咨询详情
